產品說明0


| 特徵 |
| | 感測/檢測原理 | 直接反射式光電感測器, 背景遮蔽功能 | | 尺寸(寬 x 高 x 深) | 12 mm x 31.5 mm x 21 mm | | 外殼形狀(發光) | 方形 | | 最大檢測範圍 | 5 mm ... 250 mm 1) | | 檢測範圍 | 35 mm ... 140 mm | | 光源類型 | 可見紅光 | | 光投射器 | PinPoint LED針點式光點 2) | | 光點大小(距離) | Ø 6 mm (100 mm) | | 波長 | 650 nm | | 調整 | 機械式調節器,5圈 | 1) 反射率為90%的白色物體(參考DIN5033標準). 2) 平均使用壽命:100,000 h / TU = +25 °C. |
| 機械/電氣 |
| | 電源電壓 | 10 V DC ... 30 V DC 1) | | 殘餘漣波 | ± 10 % 2) | | 耗電量 | ≤ 30 mA 3) | | 開關輸出 | NPN | | 開關方式 | 入光動作/遮光動作 | | 可選擇開關方式 | 可選,透過亮/暗轉換開關 | | NPN HIGH/LOW信號電壓 | 約UV / ≤ 3 V | | 輸出電流 Imax. | ≤ 100 mA 4) | | 反應時間 | < 625 µs 5) | | 開關頻率 | 1,000 Hz 6) | | 連接類型 | 電纜線,3蕊, 2 m 7) | | 電纜線材質 | PVC | | 導體截面積 | 0.14 mm² | | 保護電路 | A 8) B 9) D 10) | | 防護等級 | III | | 重量 | 60 g | | 外殼材質 | 塑膠, ABS/PC | | 透鏡材質 | 塑膠, PMMA | | IP等級 | IP67 | | 供貨範圍 | BEF-W100-A不鏽鋼角形托架 (1.4301/304) | | 工作環境溫度 | –25 °C ... +55 °C 11) | | 儲存環境溫度 | –40 °C ... +70 °C | | UL文件號 | NRKH.E348498 & NRKH7.E348498 | 1) 使用短路保護電源工作時的限值:最大8 A. 2) 不得超過或低於Uv公差. 3) 無負載. 4) Uv > 24 V時,電流最大值 = 50 mA. 5) 電阻負載下的信號傳播時間. 6) 亮/暗比 1:1. 7) 0 °C以下勿折曲電纜線. 8) A = UV接頭反極性保護. 9) B = 輸入輸出極性保護. 10) D = 輸出過電流及短路保護. 11) 調節後,溫度穩定性+/-10 °C. |



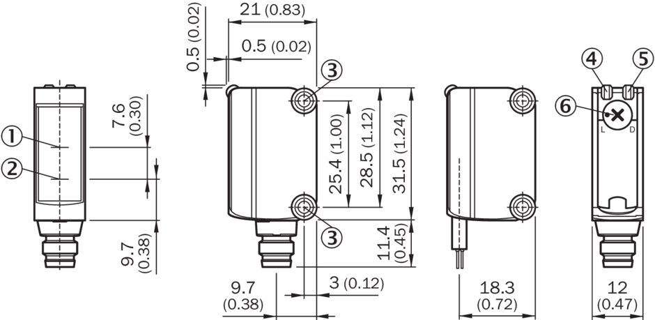
尺寸圖 尺寸 (mm)
① 光軸,受光器
② 光軸,投光器
③ M3安裝孔位
④ 綠色LED指示燈:電源電壓啟用
⑤ 黃色LED指示燈:光線接收狀態
⑥ 亮/暗旋鈕開關:L = 亮動作,D = 暗動作



調節選項 可調性
④ 綠色LED指示燈:電源電壓啟用
⑤ 黃色LED指示燈:光線接收狀態
⑦ 靈敏度調節器:調整旋鈕



連接示意圖 Cd-043



光點大小 GTB6


檢測範圍示意圖 GTB6
① 反射率為90%的物件(以DIN 5033標準白色為基準)
② 灰色上檢測範圍,18%反射率
③ 黑色上檢測範圍,6%反射率



特性曲線 GTB6
① 反射率為90%的物件(以DIN 5033標準白色為基準)
② 灰色上檢測範圍,18%反射率
③ 黑色上檢測範圍,6%反射率