產品說明0
行星減速器/減速箱配 110 步進/伺服電機減速 (110減速一級1:4/5/6)






行星減速器(上圖):
行星減速器;分普通行星減速器,精密行星減速器,可配57-130系列步進電機,57-86系列無刷電機60-130系列伺服電機!歡迎信件諮詢購買!
步進類:
57一級減速器/二級/三級
86一級減速器/二級/三級
110一級減速器/二級/三級
130一級減速器/二級/三級
伺服類:
60伺服減速器一級/二級/三級
80伺服減速器一級/二級/三級
90伺服減速器一級/二級/三級
130伺服減速器一級/二級/三級
減速比有1:4 1:5
1:6 1:10 1:16 1:20 1:24 1:30 1:36 64 96 125等大量現貨庫存減速比!提供定制其他規格電機的減速器和減速比!不分數量只要您能提供圖紙我們就可以定做!
鍵槽式輸入,固定更牢固穩定,無間隙。承受轉矩大,內部齒輪採用高級“鉻”元素製作而成。鉻元素符號Cr,銀白色金屬,在元素週期表中屬ⅥB族,鉻的原子序數24,原子量51.996,體心立方晶體,常見化合價為+3、+6和+2。1797年法國化學家沃克蘭(LNVauquelin)在西伯利亞紅鉛礦(鉻鉛礦)中發現一種新元素,次年用碳還原,得金屬鉻。因為鉻能夠生成美麗多色的化合物,根據希臘字chroma(顏色)命名為chromium。

57步進、無刷減速機圖紙:

60伺服減速機圖紙:

80伺服減速機圖紙:


80無刷減速機圖紙:

86步進減速機圖紙:

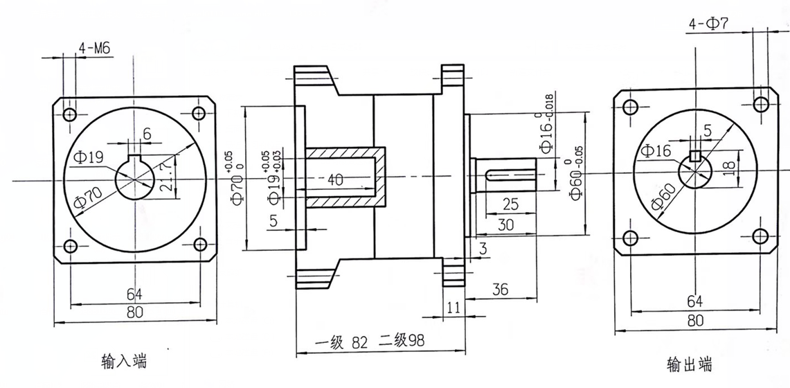
110步進減速器圖紙:

110伺服減速器圖紙:

130步進減速器圖紙:

130伺服減速機圖紙:

減速器最大輸出扭矩、效率、回程間隙表:

以上尺寸圖均為步進、伺服、無刷電機配套的尺寸都是標配的。有需要其他的圖紙,或定制的請發信件洽詢!
信箱:i0104@ms13.hinet.net
