產品說明25

雙插座3A DC-DC 降壓穩壓充電模塊
產品尺寸:28*33*8mm(雙插座),28*66*8mm(四插座)
產品重量:5.5g(雙插座),11.5g(四插座)
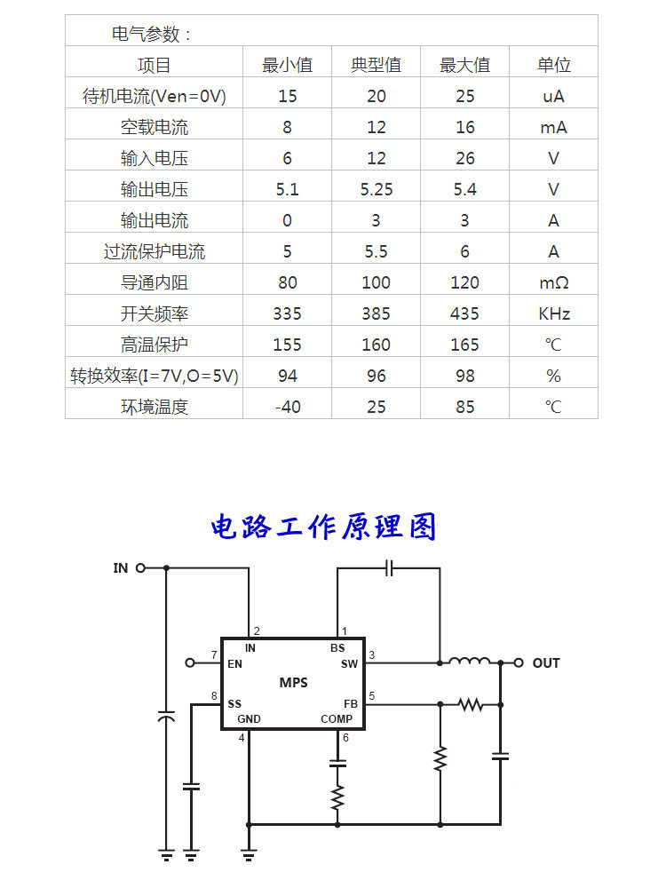
輸入電壓範圍:6-26V
輸出電壓:5.2V(考慮充電線路損耗,輸出端是5.2V左右,負載端是5V左右)
輸出電流(雙插座):正常散熱條件下輸出總電流2A,加風扇散熱條件下輸出總電流3A。
注意事項1:正負極不能接反,且輸入電壓不能超過26V,否則會導致芯片損壞!
注意事項2:在通電工作時,不能用手觸摸電路板上的取樣電阻、IC腳,否則可能導致輸出電壓突變損壞設備!


